产品渲染图

产品特征
产品名 | 无刷直流水泵DC26B | 型号 | DC26B |
重量 | 0.1kg | 寿命 | ≥30000h连续 |
防护等级 | IP68 | 颜色 | 黑色 |
认证 | CE,ROSH | 壳体材料 | PPO+GF |
噪音 | ≤35dB | 工作承压 | ≥0.5MPa(5kg) |
绝缘等级 | H 级(180°) | 工作原理 | 离心泵、磁力泵、无刷直流 |
用途 | 循环散热系统 | 保护功能 | 缺水保护、卡死保护
|
使用范围
使用液体类型 | 油性介质,水,酸碱盐以及其他流动性液体 | 使用液体温度 | <60° |
调速方式 | l PWM调速:幅值5V 50-800HZ 可定制 l 0-5V调速 l电位器调速:电阻范围4.7K~20K | 使用电源类型 | 直流电源,太阳能板,蓄电池 |
基本参数(参数可以定制)
产品型号 | DC26B-1240 |
|
|
|
|
额定电压 | 12V DC |
|
|
|
|
工作电压范围 | 5-12V |
|
|
| 此范围内,水泵能够正常工作 |
额定电流 | 0.6A(0.75A |
|
|
| 封闭出水口电流(敞口抽水电流) |
输入功率 | 7W(9W) |
|
|
| 封闭出水口功率(敞口抽水功率) |
最大流量 | 500L/H |
|
|
| 敞口流量 |
最大扬程 | 4M |
|
|
| 静态扬程 |
最小输入电源 | 12V-1A |
|
|
|
|
附加功能说明
卡死保护 | 卡死的时候水泵停止工作 | 缺水/空转保 | 水泵缺水或者空转时水泵会循环的停转(4秒)运转(2秒),可定制保护策略 |
流量扬程曲线图

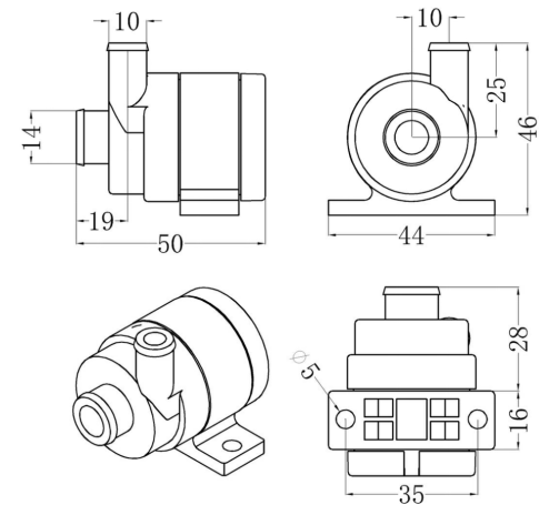
尺寸图

参数测试安装示意图

注意:本产品不具备自吸功能,因此在安装时,需要保证压盖型腔内具有足够的水,即安装时需要保证水泵中心位置低于水箱内液面,以保证水泵能够正常运行!